
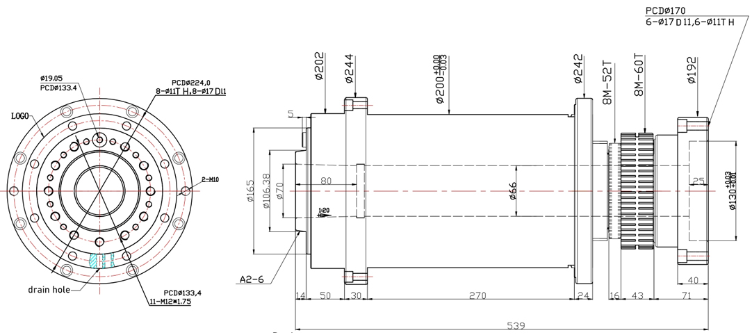
A2-6 52 Machine Sync With Brake Lathe Spindle
Lathe Spindle Feature:
- Products are tested in strict accordance with international standards, with long durability and good stability
- Large through-hole to enhance the product processing range, can meet 52mm pass
- It can meet the requirements of high-speed turning and high-gloss turning
- The magnetic ring of various manufacturers can be selected, and the split brake pad is equipped
SKU:
A2-6-52
Categories: CNC Parts & Tools, CNC Spindles
Tags: Drilling Machine, Industrial CNC Machine, Milling Machine, Vertical Machining Center
Brand: JHXinMai
share:
| Product drawing number | A2-6-52 | Spindle name | 52 machine sync with brake |
|---|---|---|---|
| speed of main shaft | 4000RPM | Belt specification | 8M/8YU-40T |
| Assembly form | horizontal type | driving horse power | 7.5-15Kw |
| lubricating system | grease lubrication | Bore specification | 1:20 |
| Spindle through hole | 66MM | Balance class | G1 |
| Spindle specification | A2-6 | Front bearing arrangement | 7020 |
| Unit:MM | Uint: 1:4 | Rear bearing arrangement | 7020 |
| Drawing date | 2023.4.19 | ||










